- 端子台·IO 模块
- 接线端子台
- 压着端子
- 设备线束
- 连接器
电气标准件·辅材
- 光电传感器
- 光纤传感器
- 微型光电传感器
光电传感器
- FA系列
- FG系列
安全光栅传感器
- 磁编非接触式
- 导塑电位器
角度传感器
- 接线端子
- 端子台模块
- 继电器端子台模组
- 工业网线/Profinet/ethercat通讯线
- 定制线缆
关注微信二维码
立享更多信息
Q Q:342513375
产品特点
一、无接触,重复性好,使用寿命长;
二、输出方式有模拟量可编程电压放大输出,PWM输出,机械轴孔连接;
三、防护等级最高可达IP67,能在高温、高湿环境下工作,防水防尘防油污;
四、360°绝对位置测量(可按要求定制角度测量范围),可替代光电编码器,电位器、导塑电位器;
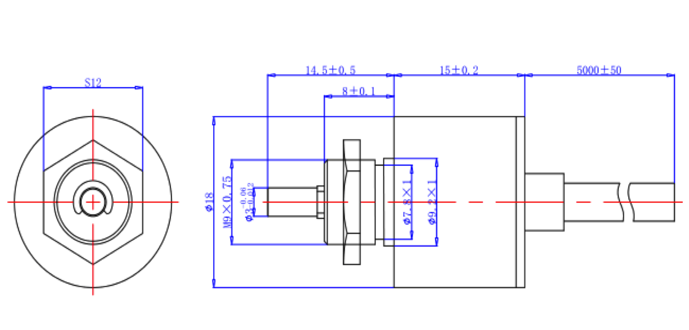
五、具体尺寸可根据客户要求订制。
旋转角度传感器是采用高性能集成磁感元件利用磁信号感应非接触的特点,配合微处理器(DSP )进行智能化信 号处理制成新一代360°全量程以及可编程选定测量区间的角度传感器。
它具有分辨率高,温度稳定性好等突出优 点,并且性价比优异。


